LinkedIn
Facebook
YouTube
Instagram
Suchen
Info
KrampeHarex GmbH & Co. KG
Pferdekamp 6-8 59075 Hamm Deutschland
T: +49 2381 9779-77 F: +49 2381 9779-55 E: info@krampeharex.com
Ansprechpartner finden
Strahlmittel
Übersicht Produkte Anwendungen Service+ Downloads
Fasern
Übersicht Produkte Anwendungen Service+ Referenzen Downloads
KrampeHarex GmbH & Co. KG Pferdekamp 13 59075 Hamm Deutschland
Kontakt +49 02381 977 977 info@krampeharex.com
Bürozeiten Mo - Do 7 - 17 Uhr Fr 7 - 14 Uhr
Versandzeiten Mo - Fr 6 - 14 Uhr
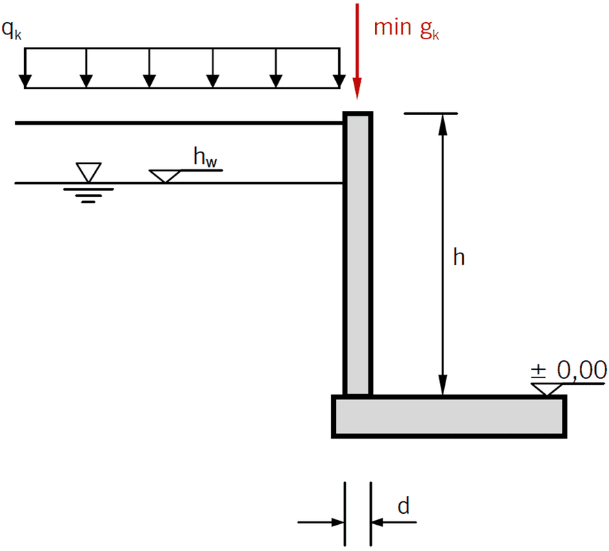
Bauvorhaben
Boden
Wand
Skizze zur Erläuterung der benötigten Angaben
Die Belastung am Wandkopf ergibt sich aus der kleinsten Summe der Eigenlasten des ganzen Gebäudes!
Nach oben